Four row tapered roller bearing OD: 488.95mm/OD:469.9mm/OD:488.95mm/OD:482.6mm/OD:523.875mm
|
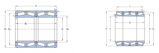
Designations |
Boundary Dimensions |
Basic Load Ratings |
Mass(kg) |
|||
|
d |
D |
B |
Cr |
Cor |
Refer. |
|
|
HM262749/ 10/ 10D |
346.075 |
488.95 |
358.775 |
5280 |
12500 |
224 |
|
M262449D/ 10/ 10D |
347.662 |
469.9 |
292. 1 |
2600 |
7950 |
142 |
|
M263349D/ 10/ 10DHC |
355.6 |
488.95 |
317.5 |
4750 |
11000 |
165 |
|
LM763449DW/ 10/ 10D |
355.6 |
482.6 |
265. 113 |
4150 |
8150 |
135 |
|
HM265049DW/ 10/ 10D |
368.3 |
523.875 |
382.588 |
6200 |
14800 |
274 |




